Реклама показывается только незарегистрированным пользователям. Вход или Регистрация

Сила тока на портах USB телевизоров LG

Обсуждение LG smart TV. Пишем тут отзывы и мнения об лджи смарт тв! Разрешено обсуждать цены и где дешевле купить смарт тв.

Сила тока на портах USB телевизоров LG

Сообщение Destr » 03 авг 2015, 15:44

А никто не в курсе сколько ампер выдают USB порты на тв LB67...? А то при подключении к ним Андройд ТВ бокса он рано или поздно перегружается из-за нехватки питания.
Destr

 
Сообщения: 14
Зарегистрирован: 29 июл 2015, 16:24
Благодарил (а): 4 раз.
Поблагодарили: 0 раз.
Телевизор: 47LB679

Сила тока на портах USB телевизоров LG

Спонсор » 03 авг 2015, 15:44

Реклама показывается только незарегистрированным пользователям. Войти или Зарегистрироваться
Спонсор

 
Сообщения: 100
Зарегистрирован: 15 июл 2014, 18:43
Благодарил (а): 0 раз.
Поблагодарили: 0 раз.

Re: USB устройства, работающие с телевизорами LG на webOS

Сообщение Архивариус » 03 авг 2015, 22:32

Мне кажется, 0,5 ампера это максимальный ток который дает USB порт телевизора.
Архивариус

 
Сообщения: 9728
Зарегистрирован: 29 июл 2010, 20:22
Благодарил (а): 2457 раз.
Поблагодарили: 1662 раз.
Телевизор: LG 55C9 32LK6190 24MT57S
Звук: Yamaha YSP-1100

Re: USB устройства, работающие с телевизорами LG на webOS

Сообщение operator3 » 05 авг 2015, 10:46

Destr писал(а):сколько ампер выдают USB порты



За это сообщение автора operator3 поблагодарил:
Destr (06 авг 2015, 16:01)
operator3

 
Сообщения: 399
Зарегистрирован: 21 авг 2014, 12:27
Благодарил (а): 61 раз.
Поблагодарили: 100 раз.
Телевизор: LB670V 05.00.35

Re: USB устройства, работающие с телевизорами LG на webOS

Сообщение morkofka » 05 авг 2015, 21:23

operator3
Поделитесь схемой, плз.
morkofka

 
Сообщения: 2
Зарегистрирован: 10 янв 2015, 18:19
Благодарил (а): 2 раз.
Поблагодарили: 0 раз.
Телевизор: 55LB671V

Re: USB устройства, работающие с телевизорами LG на webOS

Сообщение operator3 » 06 авг 2015, 11:01

morkofka писал(а):Поделитесь схемой, плз

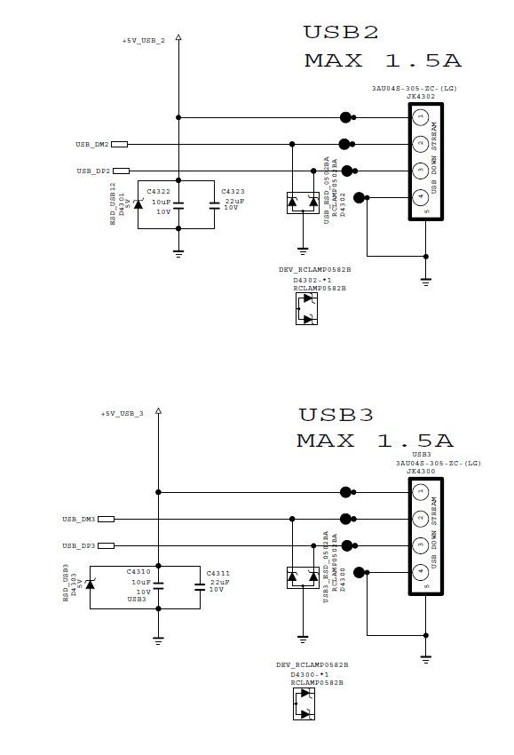
operator3 @ Сервис мануалы к телевизорам LG 2014 года скачать
Смотрите LB650V.

За это сообщение автора operator3 поблагодарил:
morkofka (06 авг 2015, 11:20)
operator3

 
Сообщения: 399
Зарегистрирован: 21 авг 2014, 12:27
Благодарил (а): 61 раз.
Поблагодарили: 100 раз.
Телевизор: LB670V 05.00.35

Re: Сила тока на портах USB телевизора LG 2014 года

Сообщение Архивариус » 24 сен 2018, 14:38

Сила тока на разъеме USB 3.0 телевизора LG 55UB950V 2014 года составляет 850 мА:
Архивариус @ Функции, которые мы ожидаем в телевизорах LG на webOS
Архивариус

 
Сообщения: 9728
Зарегистрирован: 29 июл 2010, 20:22
Благодарил (а): 2457 раз.
Поблагодарили: 1662 раз.
Телевизор: LG 55C9 32LK6190 24MT57S
Звук: Yamaha YSP-1100

Re: Сила тока на портах USB телевизоров LG

Сообщение Архивариус » 01 май 2019, 12:03

Измерил силу тока, выдаваемую разъемом USB телевизора 55B7V при воспроизведении 4K-контента с внешнего жесткого диска. Воткнутый между разъемом и диском приборчик показывает значение в пределах 650 миллиампер.

За это сообщение автора Архивариус поблагодарил:
Станислав (01 май 2019, 12:32)
Архивариус

 
Сообщения: 9728
Зарегистрирован: 29 июл 2010, 20:22
Благодарил (а): 2457 раз.
Поблагодарили: 1662 раз.
Телевизор: LG 55C9 32LK6190 24MT57S
Звук: Yamaha YSP-1100

Re: Сила тока на портах USB телевизоров LG

Сообщение Lyzhnik » 16 дек 2021, 20:22

Производить такие замеры можно при помощи обычного смартфона и приложения Ampere (https://4pda.to/forum/index.php?showtopic=649572).
Если кто-нибудь из владельцев OLED последних поколений согласится исследовать свой телевизор — буду очень признателен.
Lyzhnik

 
Сообщения: 12
Зарегистрирован: 14 дек 2021, 20:43
Благодарил (а): 6 раз.
Поблагодарили: 1 раз.

Re: Сила тока на портах USB телевизоров LG

Сообщение JackSparrow » 16 дек 2021, 21:16

Lyzhnik
Напишите подробнее что именно хотите от владельцев OLED?
JackSparrow

 
Сообщения: 11431
Зарегистрирован: 10 июн 2018, 17:48
Благодарил (а): 1946 раз.
Поблагодарили: 2024 раз.
Телевизор: LG OLED 55C9

Re: Сила тока на портах USB телевизоров LG

Сообщение Lyzhnik » 17 дек 2021, 00:35

JackSparrow
Засечь силу тока на USB портах, чтобы полнить тему более актуальными данными о моделях 2019-2021 годов. Поколения телевизоров сменяются, но в отличие от Sony и Samsung, в LG Electronics так и не взяли за правило подписывать порты указанием их мощности или хотя бы документировать эти сведения в пользовательском руководстве.
Lyzhnik

 
Сообщения: 12
Зарегистрирован: 14 дек 2021, 20:43
Благодарил (а): 6 раз.
Поблагодарили: 1 раз.


Вернуться в Телевизоры LG - Обсуждение



Кто сейчас на конференции

Сейчас этот форум просматривают: нет зарегистрированных пользователей и гости: 11

Реклама показывается только незарегистрированным пользователям. Вход или Регистрация