Реклама показывается только незарегистрированным пользователям. Вход или Регистрация

Объем памяти (ОЗУ) в телевизорах LG

Обсуждение LG smart TV. Пишем тут отзывы и мнения об лджи смарт тв! Разрешено обсуждать цены и где дешевле купить смарт тв.

Re: Объем памяти (ОЗУ) в телевизорах LG 2014-2015 годов

Сообщение vasekOO » 05 окт 2015, 21:33

operator3
В даташитах микросхем ОЗУ указан объём памяти в bit (битах). На основной плате телевизоров UB серии установлено 6 микросхем ОЗУ по 4Gbit (4 Hynix и 2 Samsung). 4Gbit х 6 = 24Gbit = 3GB (3 гигабайта).

Память.jpg
Память.jpg (20.66 КБ) Просмотров: 7519

За это сообщение автора vasekOO поблагодарили: 3
Архивариус (05 окт 2015, 21:43), mixmar (06 окт 2015, 08:25), operator3 (06 окт 2015, 12:24)
vasekOO

 
Сообщения: 64
Зарегистрирован: 15 июл 2015, 09:39
Город: Россия
Благодарил (а): 21 раз.
Поблагодарили: 34 раз.

Re: Объем памяти (ОЗУ) в телевизорах LG 2014-2015 годов

Спонсор » 05 окт 2015, 21:33

Реклама показывается только незарегистрированным пользователям. Войти или Зарегистрироваться
Спонсор

 
Сообщения: 100
Зарегистрирован: 15 июл 2014, 18:43
Благодарил (а): 0 раз.
Поблагодарили: 0 раз.

Re: Объем памяти (ОЗУ) в телевизорах LG 2014-2015 годов

Сообщение Архивариус » 05 окт 2015, 21:44

vasekOO
Поправил первый пост.

За это сообщение автора Архивариус поблагодарил:
vasekOO (05 окт 2015, 23:46)
Архивариус

 
Сообщения: 9737
Зарегистрирован: 29 июл 2010, 20:22
Благодарил (а): 2475 раз.
Поблагодарили: 1663 раз.
Телевизор: LG 55C9 32LK6190 24MT57S
Звук: Yamaha YSP-1100

Re: Объем памяти (ОЗУ) в телевизорах LG 2014-2015 годов

Сообщение Bakugan » 11 дек 2016, 21:11

Есть какие-нибудь данные по количеству ОЗУ в моделях 2016 годов?
Сервис мануалы на них вроде есть, но я разобраться не смог.
Bakugan

 
Сообщения: 1839
Зарегистрирован: 07 окт 2010, 21:52
Благодарил (а): 44 раз.
Поблагодарили: 189 раз.
Планшет: HP TouchPad Wi-Fi 16Gb

Re: Объем памяти (ОЗУ) в телевизорах LG 2014-2015 годов

Сообщение tessi » 12 дек 2016, 21:55

Bakugan
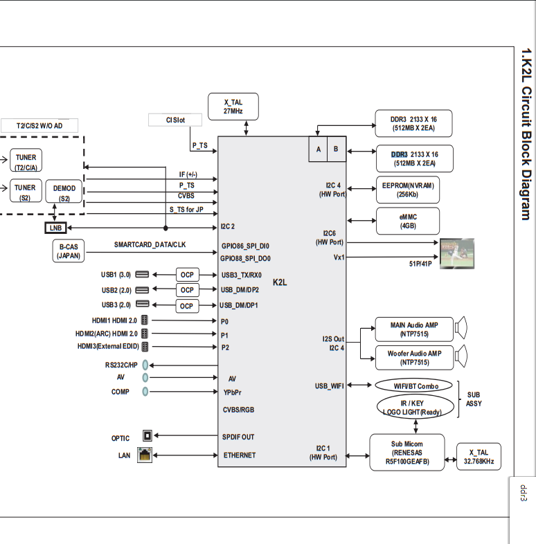
Открываем мануал тв LG UH6550, в поиске пишем DDR3. Находим вот такую диаграмму:

Видим два блока памяти DDR3 2133 X 16 (512MB X 2EA)
Тут надо 512 МВ (мегабайт) умножить на 2. Получится 1024 мегабайта - первый блок памяти.
Так же сделать со вторым блоком памяти, а потом сложить его с первым блоком. В данном случае получится 2048 мегабайт = 2 гигабайта - это ОЗУ тв.
Последний раз редактировалось tessi 12 июн 2017, 00:37, всего редактировалось 2 раз(а).

За это сообщение автора tessi поблагодарил:
Архивариус (12 дек 2016, 22:28)
tessi
Лучший пользователь форума 2016
 
Сообщения: 8082
Зарегистрирован: 08 авг 2014, 10:20
Благодарил (а): 301 раз.
Поблагодарили: 918 раз.
Телевизор: LG 49UB850V 24LH480U

Re: Объем памяти (ОЗУ) в телевизорах LG 2014-2015 годов

Сообщение Архивариус » 12 дек 2016, 22:37

А что насчет 65G6P? Тут на схеме еще и DDR4 есть.
Архивариус

 
Сообщения: 9737
Зарегистрирован: 29 июл 2010, 20:22
Благодарил (а): 2475 раз.
Поблагодарили: 1663 раз.
Телевизор: LG 55C9 32LK6190 24MT57S
Звук: Yamaha YSP-1100

Re: Объем памяти (ОЗУ) в телевизорах LG 2014-2015 годов

Сообщение tessi » 12 дек 2016, 22:45

Архивариус
Тут используется в ОЗУ память DDR4.
4Gb x 6 (2400)
Надо 4 гигабита умножить на 6 и разделить на 8, чтобы получить гигабайты. Итого 3 гигабайта ОЗУ тв.

За это сообщение автора tessi поблагодарил:
Архивариус (12 дек 2016, 23:31)
tessi
Лучший пользователь форума 2016
 
Сообщения: 8082
Зарегистрирован: 08 авг 2014, 10:20
Благодарил (а): 301 раз.
Поблагодарили: 918 раз.
Телевизор: LG 49UB850V 24LH480U

Re: Объем памяти (ОЗУ) в телевизорах LG 2014-2016 годов

Сообщение Архивариус » 11 июн 2017, 15:46

Появился первый сервис мануал к модели 2017 года (W7), судя по которому LG перешла на менее скоростную память DDR3 1066, а ёмкость ОЗУ в топовых моделях так и составляет 3 гигабайта (4x4/8 + 4x2/8).
Архивариус

 
Сообщения: 9737
Зарегистрирован: 29 июл 2010, 20:22
Благодарил (а): 2475 раз.
Поблагодарили: 1663 раз.
Телевизор: LG 55C9 32LK6190 24MT57S
Звук: Yamaha YSP-1100

Re: Объем памяти (ОЗУ) в телевизорах LG 2014-2017 годов

Сообщение mak34kit » 15 окт 2017, 16:28

А есть инфа по серии SJ? Конкретно модель 49SJ810V.
mak34kit

 
Сообщения: 7
Зарегистрирован: 14 окт 2017, 03:11
Благодарил (а): 0 раз.
Поблагодарили: 0 раз.

Re: Объем памяти (ОЗУ) в телевизорах LG 2014-2017 годов

Сообщение Bakugan » 15 окт 2017, 16:37

mak34kit
Привожу моментальную переписку в чате с тех.поддержкой LG:

[V] Добрый день или вечер…
[Вадим] Добрый вечер, чем могу помочь?
[V] интересует вопрос: какой объем памяти в телевизорах серии LG SJ810V — общий и доступный пользователю
[V] Вадим, добрый вечер.
[V] вопрос о LG 55SJ810V
[Вадим] Для установки приложений доступно около 0.8 Гб.
[V] ок, а всего — общий объем (если есть такая информация)?
[Вадим] К сожалению, в спецификациях завод не указывает общий объем модуля памяти, который используется.
[V] Спасибо, вопросов нет, удачи!


Посему рекомендую попробовать найти сервис-мануал к любой модели восьмой серии SJ8* и там посмотреть или выложить сюда и спецы подскажут по номиналам микросхем.
Bakugan

 
Сообщения: 1839
Зарегистрирован: 07 окт 2010, 21:52
Благодарил (а): 44 раз.
Поблагодарили: 189 раз.
Планшет: HP TouchPad Wi-Fi 16Gb

Re: Объем памяти (ОЗУ) в телевизорах LG 2014-2017 годов

Сообщение Artem » 20 окт 2017, 13:50

Добрый день!
Скажите пожалуйста, какой объем памяти у 43UJ675V?
Спасибо!
Artem

 
Сообщения: 1
Зарегистрирован: 20 окт 2017, 13:43
Благодарил (а): 0 раз.
Поблагодарили: 0 раз.
Телевизор: 43UJ675V

Пред.След.

Вернуться в Телевизоры LG - Обсуждение



Кто сейчас на конференции

Сейчас этот форум просматривают: нет зарегистрированных пользователей и гости: 24

Реклама показывается только незарегистрированным пользователям. Вход или Регистрация