Реклама показывается только незарегистрированным пользователям. Вход или Регистрация

Телевизор LG UB850V (49, 55") 2014 года

Обсуждение LG smart TV. Пишем тут отзывы и мнения об лджи смарт тв! Разрешено обсуждать цены и где дешевле купить смарт тв.

Re: Телевизор LG 49(55) UB850V

Сообщение Mr.Funt » 11 ноя 2015, 23:38

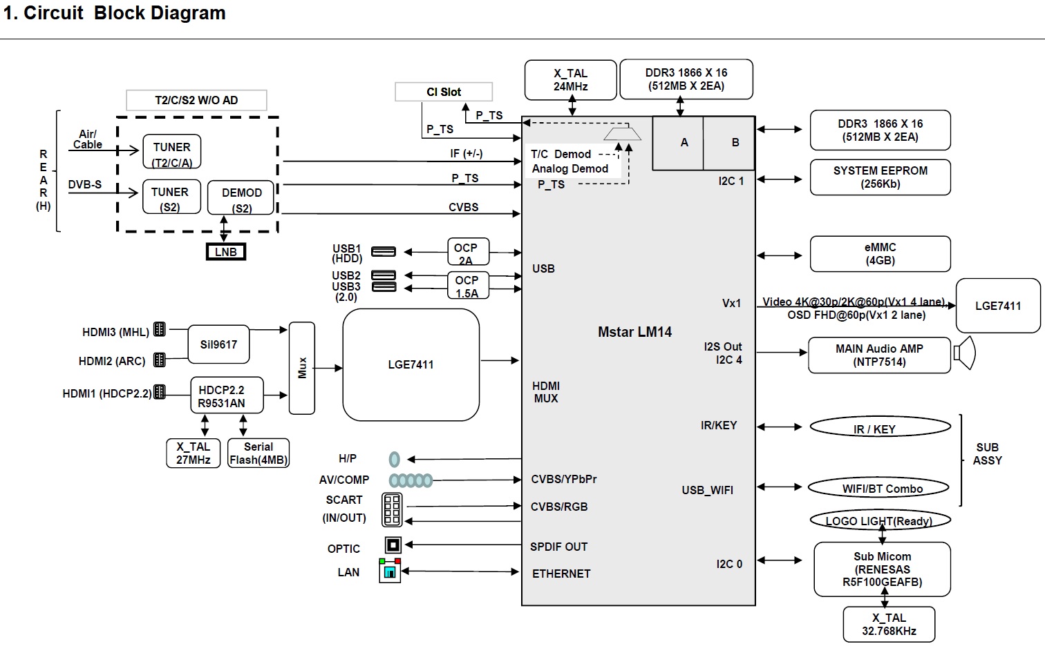
vasekOO писал(а): У UB850 и UB830 абсолютно разное железо.


Пока все, что я нашел это только то, что упомянутое железо как раз одинаковое. Разница начинается уже с моделей UF - тех же ядер в процессоре уже 4. Если я все же не прав - поправьте меня.
Mr.Funt

 
Сообщения: 37
Зарегистрирован: 03 ноя 2015, 22:44
Благодарил (а): 1 раз.
Поблагодарили: 2 раз.
Телевизор: LG 55UB850V

Re: Телевизор LG 49(55) UB850V

Спонсор » 11 ноя 2015, 23:38

Реклама показывается только незарегистрированным пользователям. Войти или Зарегистрироваться
Спонсор

 
Сообщения: 100
Зарегистрирован: 15 июл 2014, 18:43
Благодарил (а): 0 раз.
Поблагодарили: 0 раз.

Re: Телевизор LG 49(55) UB850V

Сообщение vasekOO » 12 ноя 2015, 18:36

Mr.Funt
У UB850 платформа Н13, используемая в топовых моделях ещё с 2013 года, процессор LG1154. У UB830 платформа 2014 года - LM14, процессор LGE4331.





За это сообщение автора vasekOO поблагодарили: 2
Архивариус (12 ноя 2015, 22:58), Mr.Funt (23 ноя 2015, 10:58)
vasekOO

 
Сообщения: 64
Зарегистрирован: 15 июл 2015, 09:39
Город: Россия
Благодарил (а): 21 раз.
Поблагодарили: 34 раз.

Re: Телевизор LG 49(55) UB850V

Сообщение ogust » 16 ноя 2015, 19:38

вечер добрый.кто подскажет:
тв 49ub850, не читает такой формат:

прошивка 05.00.20,на 4-й читает.
главное,что только 720 от idealfilm не идет,-остальные 720 -без проблем..
разницы в инфофайле не вижу,возможно слеп))
ogust

 
Сообщения: 64
Зарегистрирован: 08 апр 2015, 11:03
Благодарил (а): 42 раз.
Поблагодарили: 3 раз.
Телевизор: ub850

Re: Телевизор LG 49(55) UB850V

Сообщение tessi » 16 ноя 2015, 21:29

ogust
у меня даже на компе не открылся


За это сообщение автора tessi поблагодарил:
ogust (17 ноя 2015, 01:50)
tessi
Лучший пользователь форума 2016
 
Сообщения: 8082
Зарегистрирован: 08 авг 2014, 10:20
Благодарил (а): 301 раз.
Поблагодарили: 918 раз.
Телевизор: LG 49UB850V 24LH480U

Re: Телевизор LG 49(55) UB850V

Сообщение ogust » 17 ноя 2015, 01:49

на компе всё норм (комп полудохлый)))
вот ещё один от idealfilm :

таких на кинозале много.
не могу понять- п о ч е м у не идёт??
ogust

 
Сообщения: 64
Зарегистрирован: 08 апр 2015, 11:03
Благодарил (а): 42 раз.
Поблагодарили: 3 раз.
Телевизор: ub850

Re: Телевизор LG 49(55) UB850V

Сообщение tessi » 17 ноя 2015, 05:09

А не все ли равно? Вы же ничего не сможете изменить.
tessi
Лучший пользователь форума 2016
 
Сообщения: 8082
Зарегистрирован: 08 авг 2014, 10:20
Благодарил (а): 301 раз.
Поблагодарили: 918 раз.
Телевизор: LG 49UB850V 24LH480U

Re: Телевизор LG 49(55) UB850V

Сообщение ogust » 17 ноя 2015, 06:22

tessi писал(а):А не все ли равно? Вы же ничего не сможете изменить.

это то да,но интересно всё же..
ogust

 
Сообщения: 64
Зарегистрирован: 08 апр 2015, 11:03
Благодарил (а): 42 раз.
Поблагодарили: 3 раз.
Телевизор: ub850

Re: Телевизор LG 49(55) UB850V

Сообщение tessi » 17 ноя 2015, 09:36

ogust
Спросите тогда у техподдержки.
tessi
Лучший пользователь форума 2016
 
Сообщения: 8082
Зарегистрирован: 08 авг 2014, 10:20
Благодарил (а): 301 раз.
Поблагодарили: 918 раз.
Телевизор: LG 49UB850V 24LH480U

Re: Телевизор LG 49(55) UB850V

Сообщение ogust » 17 ноя 2015, 18:10

tessi
"замечательный" ответ..
ogust

 
Сообщения: 64
Зарегистрирован: 08 апр 2015, 11:03
Благодарил (а): 42 раз.
Поблагодарили: 3 раз.
Телевизор: ub850

Re: Телевизор LG 49(55) UB850V

Сообщение tessi » 17 ноя 2015, 19:23

ogust
Уже спрашивали? :-)
tessi
Лучший пользователь форума 2016
 
Сообщения: 8082
Зарегистрирован: 08 авг 2014, 10:20
Благодарил (а): 301 раз.
Поблагодарили: 918 раз.
Телевизор: LG 49UB850V 24LH480U

Пред.След.

Вернуться в Телевизоры LG - Обсуждение



Кто сейчас на конференции

Сейчас этот форум просматривают: нет зарегистрированных пользователей и гости: 20

Реклама показывается только незарегистрированным пользователям. Вход или Регистрация