Архивариус писал(а):narpol
Я думаю, конкретизируется применимость к моделям только с HDMI 2.1 Switch.
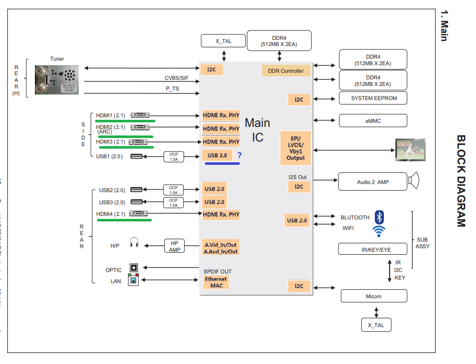
А если в BLOK DIAGRAM сервис-мануала к данному ТВ его нет, то он эти режимы не поддерживает (как я понял, Вы привели из В9), раз это является условием? И второй вопрос, позиционируется только USB 2.0. но откуда обозначение 3.0 (cо стороны платы) для бокового разъема USB? Вопросы не именно к Вам (в качестве спорности Вашего ответа), а скорее к LGE, разрабатывающей сервис-мануалы через одно место, ну или к специалистам, которые смогут пояснить по данной схеме.
